
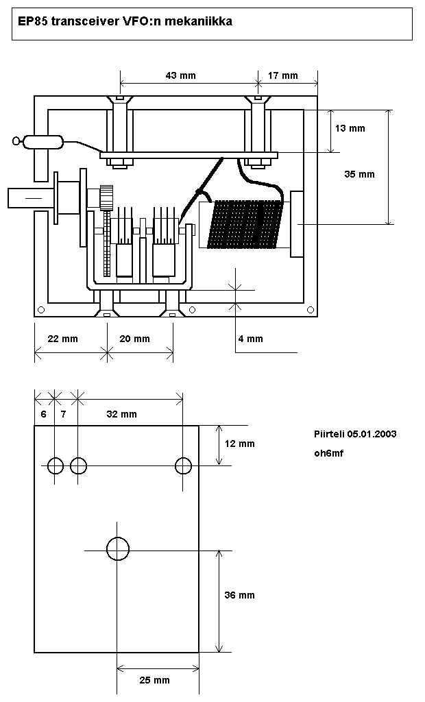
Kuvassa vuosien varrella hieman kolhiintunut OH6MF:n EP85
transceiver
EP85 on alunperin Villen OH6QR:n 80 luvun
puolenvälin paikkeilla kehittelemä QRP transceiver.
Ville rakenteli ensimmäisenä rigin itselleen. Ja kun laitetta
kokeiltiin ja kuunneltiin alkoi yksi
jos toinenkin kysellä kopioita muistiinpanoista , skemoista ja
piirilevyistä.
EP85:sta on rakenneltu täällä Eteläpohjanmaalla ja
Keskisuomessa . Eniten ehkä Keuruulla
Kansalaisopiston elektroniikkapiirissä.
Ville korosti myös ettei ole itse suunnitellut EP85:sen
kytkentöjä ,vaan on koonnut tähän
projektiin parhaiten sopivia valmiita ratkaisuja ja sovittanut ne
yhdeksi kokonaisuudeksi .
Ja Transceiverin konstruktiosta tulikin mielestäni tosi hyvä.
TNX Ville !!
Koska laitteesta ei ole julkaistu koskaan mitään julkista
artikkelia tms. olenkin pikkuhiljaa
ryhtynyt siirtäämään skemoja ym. tänne bittipuolelle
muidenkin asiasta kiinnostuneiden
ihmeteltäväksi.
73 de oh6mf
Huom ! tämä homma on vielä kesken , mutta päivitttelen
skemoja ym. pikkuhiljaa.
tässä nyt kuitenkin alkua.
|
Välitaajuusosa :
| Tiedosto | Selite | Koko | Päivitetty |
| ep85vt.htm | Kuvia ym .EP85 trx:n välitaajuusosasta | ||
| ep85if2.gif | EP85 Tranceiverin välitaajuusosan kytkentäkaava | 32kb | 23.05.2004 |
RF-osa ja pt osa :
| Tiedosto | Selite | Koko | Päivitetty |
| ep85rfu1.gif | EP85 Transceiverin RF-unit kytkentäkaava | 21 kb | 18.01.2003 |
| ep85rf.htm | Kuvia ym .EP85 trx:n RF-osasta |